53416000 - Hydraulic Workshop Press 60 Tonne Hand/Foot Operated

Description

  • Working area: h760mm x w1005mm
  • Foot operated air approach feature
  • Air connection fitted with water separator
  • Fast and safe adjustment of the press table height, using a braked winch
  • Wide insertion width
  • 300mm stroke
  • Fast air return
  • Pressure gauge
  • Two V-blocks
  • Hard Chrome Piston
  • Moveable cylinder
  • 3 year warranty
     

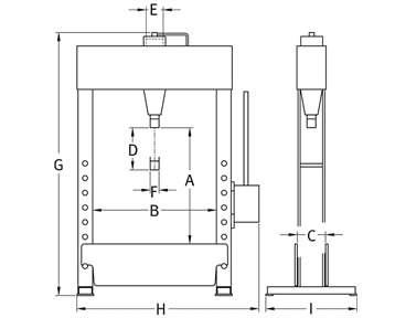
Dimensions

  • Measurement A - 760
  • Measurement B - 1005
  • Measurement C - 255
  • Measurement D - 300
  • Measurement E - 160
  • Measurement F - 80
  • Measurement G - 2100
  • Measurement H - 1615
  • Measurement I - 710
  • Unit weight - 690kg

Optional extras:

534266-FR - Front Press Guard 

534266-RR - Rear Press Guard 

Product form

Working area: h760mm x w1005mm Foot operated air approach feature Air connection fitted with water separator Fast and safe adjustment... Read more

SKU: 53416000

Icon for notificationEnquire About This Product

Contact us with an enquiry about this product.

Please include a contact number in the message.

Send us a message!

Description

  • Working area: h760mm x w1005mm
  • Foot operated air approach feature
  • Air connection fitted with water separator
  • Fast and safe adjustment of the press table height, using a braked winch
  • Wide insertion width
  • 300mm stroke
  • Fast air return
  • Pressure gauge
  • Two V-blocks
  • Hard Chrome Piston
  • Moveable cylinder
  • 3 year warranty
     

Dimensions

  • Measurement A - 760
  • Measurement B - 1005
  • Measurement C - 255
  • Measurement D - 300
  • Measurement E - 160
  • Measurement F - 80
  • Measurement G - 2100
  • Measurement H - 1615
  • Measurement I - 710
  • Unit weight - 690kg

Optional extras:

534266-FR - Front Press Guard 

534266-RR - Rear Press Guard 

You may also like

Popular Collections

Login

Forgot your password?

Don't have an account yet?
Create account